top of page
1523934460_d6c76ad032ed23a7dc48591dc04e8fa9.101773.png

> Acoplador a transistor

 AT24P - ACOPLADOR A TRANSITOR

. Usado como Interface entre o CLP e o acionamento da bobina de Válvulas 24Vcc. (TIPO P)

 

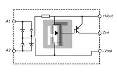
> Esquema Elétrico tipo P

Código: AT24P

1524005954_d9e75ef515758e96c3cf8dd77cc1482d.101773.png
1524005954_abc32351fea254c7b3ee7b63445092f4.101773.jpeg
bottom of page